
| 輸出 | PJ-5V15W口NA | PJ-12V15W口NA | PJ-12V30W口NA | PJ-12V50W口NA | PJ-12V100W口口A | PJ-12V150W口口A | |
| 輸出電壓 | 5V | 12V | 12V | 12V | 12V | 12V | |
| 輸出電壓范圍 | 4.50-5.50V | 10.8-13.2V | 10.8-13.2V | 10.8-13.2V | 10.8-13.2V | 10.8-13.2V | |
| 輸出電流 | 3.0A | 1.3A | 2.5A | 4.3A | 8.5A | 12.5A | |
| 輸出功率 | 15W | 15.6W | 30W | 51.6W | 102W | 150W | |
| 紋波電壓(20MHz) | <120mVpp | <150mVpp | |||||
| 保持時間 | 100VAC | 20ms typ. | |||||
| 輸入 | |||||||
| 輸入相數 | 單相 | ||||||
| 輸入電壓范圍 | 85-264 VAC | ||||||
| 輸入頻率 | 47-63Hz | ||||||
| 輸入電流 | 100VAC | 0.35Atyp. | 0.35Atyp. | 0.65Atyp. | 0.65 A typ. | 1.30 A typ. | 1.90 A typ. |
| 200VAC | 0.20Atyp. | 0.20Atyp. | 0.35Atyp. | 0.35 A typ. | 0.65 A typ. | 0.95 A typ. | |
| 滿載效率” (負載) |
100VAC | 78.0%typ. | 81.0%typ. | 83.0%typ. | 83.0% typ. | 85.0% typ. | 88.0% typ. |
| 200VAC | 79.5%typ. | 82.5%typ. | 85.0%typ. | 85.0% typ. | 87.5% typ. | 91.0% typ. | |
| 浪涌電流 (冷啟動) |
100VAC | 15 A typ. | |||||
| 200VAC | 30 A typ. | ||||||
| 功率因素 | 100VAC | 符合EN61000-3-2 | 0.98 typ. | 0.99 typ. | |||
| 200VAC | 0.97 typ. | 0.98 typ. | 0.97 typ. | ||||
| 漏電流 | 100VAC | <0.1mA | < 0.1 mA | < 0.2mA | |||
| 240VAC | <0.2mA | < 0.2 mA | < 0.4 mA | ||||
| 機構 | |||||||
| 外殼/底架 | SGCC | ||||||
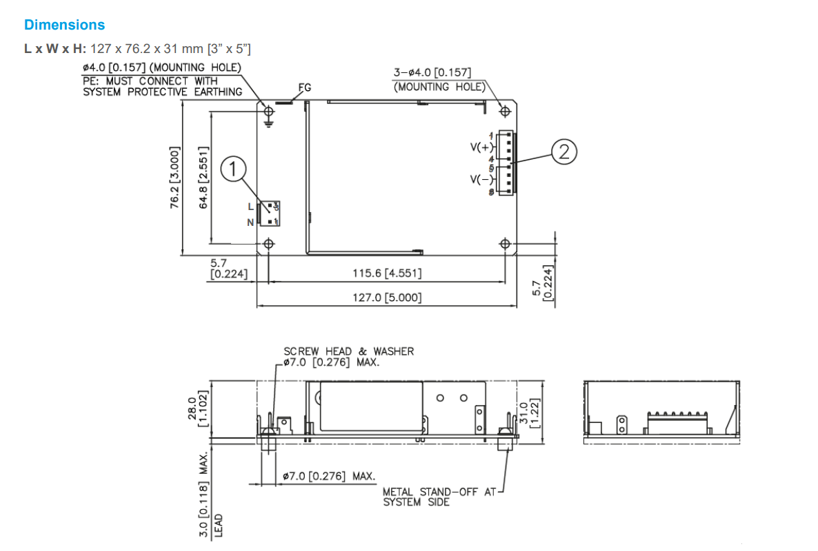
| 尺寸(L×W×H) | mm | 87.5×50×22 | 87.5×50×22 | 105×50×25.6 | 132×50×26.6 | 155×62×33.5 | 160×75×37 |
| inch | 3.44×1.97×0.87 | 3.44×1.97×0.87 | 4.13×1.97×1.01 | 5.20×1.97×1.05 | 6.10×2.44×1.32 | 6.30×2.95×1.46 | |
| 重量 | kg | 0.06 | 0.06 | 0.11 | 0.16 | 0.26 | 0.3 |
| lb | 0.13 | 0.13 | 0.24 | 0.35 | 0.57 | 0.66 | |
| 冷卻方式 | 自然對流 | ||||||
| 平均故障間隔時間 | >200,000hrs | ||||||
| 環境 | |||||||
| 運行溫度 | -10℃至+70℃ | ||||||
| 儲存溫度 | —25°C 至 +75°C | ||||||
| 運行濕度 | 5至95%RH(無冷凝) | ||||||
| 運行海拔高度 | 0 至 5,000 m (0 至 16,400 ft) | ||||||
