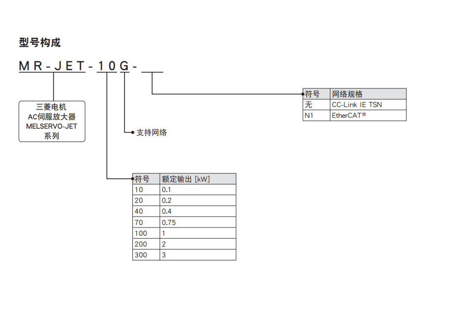
| MR-JET-G (支持網絡)規格 | ||||||||
| 伺服放大器型號MR-JET-_(N1) | 10G | 20G | 40G | 70G | 100G | 200G | 300G | |
| 輸出 | 額定電壓 | 三相AC0V~240V | ||||||
| 額定電流 | 1.3 | 1.8 | 2.8 | 5.8 | 6.0 | 11.0 | 11.0 | |
| 電源輸入 | 電壓、頻率 | 三相或單相AC200V-240V,50Hz/60Hz | 三相或單相AC200V- 240V50Hz/60Hz | 三相C200V -240V50H2/60H2 |
||||
| 額定電流 | 0.9 | 1.5 | 2.6 | 3.8 | 5.0 | 10.5 | 14.0 | |
| 允許的電壓變動 | 三相或單相AC170V - 264V | 三相 AC170V- 264V |
三相AC170V -264V |
|||||
| 允許頻率變動 | ±5以內 | |||||||
| 接口用電源 | DC24V+10(必要電流容量:0.3A) | |||||||
| 控制方式 | 正弦波PWM控制、電流控制方式 | |||||||
| 伺服放大器內置再生電阻器的容許 | — | — | 10 | 30 | 100 | |||
| 動態制動器 | 內置 | |||||||
| 伺服功能 | 先進振動控制I、自適應流波器I、魯棒濾波器、瞬間調諧、自動調諧,一鍵式調整、Tough Drive功能、驅動記錄功能、機械診斷功能、功率監視功能、摩擦補償功能、推壓控制模式 | |||||||
| 防御功能 | 過電流斷路、再生過電壓斷路、過負載斷路(電子熱繼電器)、伺服電機過熱防御、編碼器異常、再生異常、欠電壓.瞬時停電防御、過速、誤差過大防御 | |||||||
| 結構(防護等級) | 自冷 | 強冷 | ||||||
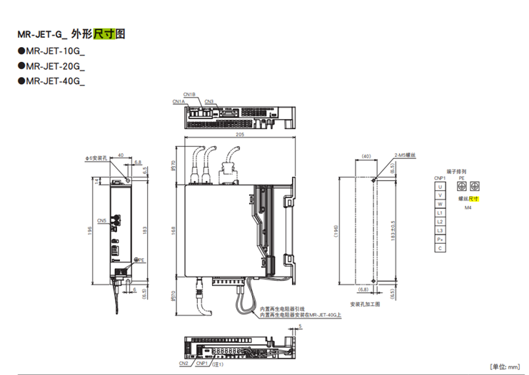
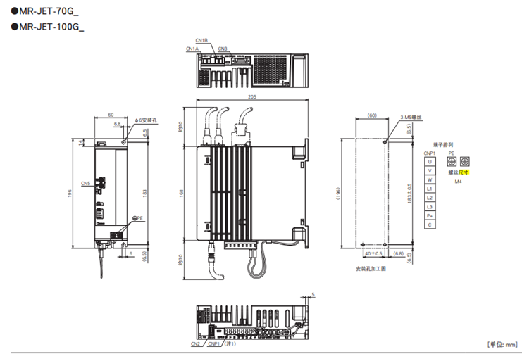
| 重量 | 0.8 | 1.6 | 2.1 | |||||
| 型號 | 輸出 | 電源輸入 | 重量(kg) | ||
| 額定電壓 | 額定電流 | 電壓頻率 | 額定電流 | ||
| MR-JET-10G | 三相AC170V | 1.3 | 三相或單相AC200V-240V,50/60Hz | 0.9 | 0.8 |
| MR-JET-20G | 1.8 | 1.5 | 0.8 | ||
| MR-JET-40G | 2.8 | 2.6 | 0.8 | ||
| MR-JET-70G | 5.8 | 3.8 | 1.6 | ||
| MR-JET-100G | 6.0 | 三相或單相AC200V~240V50Hz/60Hz | 5.0 | 1.6 | |
| MR-JET-200G | 11.0 | 10.5 | 2.1 | ||
| MR-JET-300G | 11.0 | 三相AC200V-240V50/60H2 | 14.0 | 2.1 | |
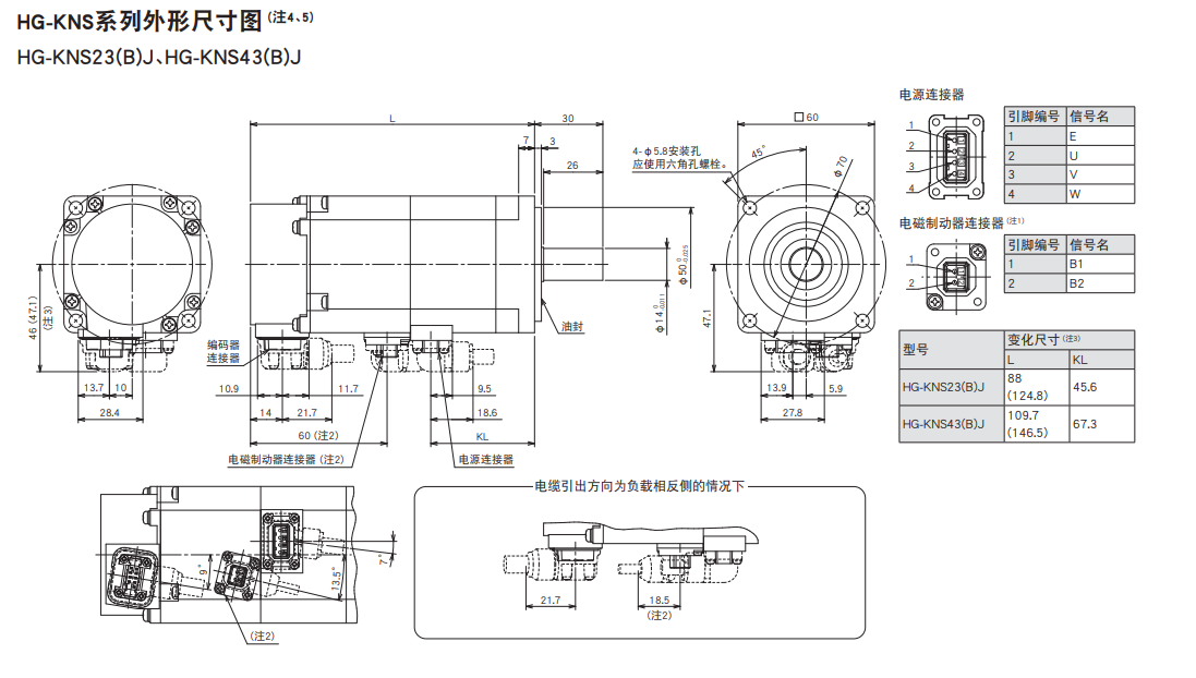
| HG-KNS系列(低慣性、小容量) 規格 | |||||
| 法蘭尺寸[mm] | 40×40 | 60X60 | 80X80 | ||
| 旋轉型伺服電機型號HG-KNS | 13J | 23J | 43J | 73J | |
| 連續特性 | 額定輸出[kW] | 10.1 | 0.2 | 0.4 | 0.75 |
| 額定轉矩 | 0.32 | 10.64 | 1.3 | 2.4 | |
| 轉矩 | 0.95 | 1.9 | 3.8 | 7.2 | |
| 額定轉速性[r/min l | 3000 | ||||
| 轉速[r/min] | 6000 | ||||
| 連續額定轉矩時的功率 | 標準[kW/s] | 12.9 | 18.0 | 43.2 | 44.5 |
| 帶電磁制動器[kW/s} | 12.0 | 16.4 | 40.8 | 41.0 | |
| 額定電流 | 0.8 | 1.3 | 2.6 | 4.8 | |
| 電流 | 2.4 | 3.9 | 7.8 | 14 | |
| 轉動慣量J | 標準[X10kgm2] | 0.0783 | 0.225 | 0.375 | 1.28 |
| 帶電磁制動器[×10*kgm2] | 0.0843 | 0.247 | 0.397 | 1.39 | |
| 負載轉動慣量比 | 15倍以下(注5) | ||||
| 速度、位置檢測 | 位置 、增量共用22位編碼器(伺服電機每轉的分辨率:4, 194, 304 pulses/rev) | ||||
| 油封 | 附帶 | ||||
| 電磁制動器 | 無(也有帶電磁制動器的伺服電機。(HG-KNS_B) ) | ||||
| 熱敏電阻 | 無 | ||||
| 耐熱等級 | 130(B) | ||||
| 構造 | 全閉自冷(防護等級:IP65 | ||||
| 耐振動1[m/s7] | X:49,Y:49 | ||||
| 振動等級 | V10型3 | ||||
| 軸的允許負載*2 | L(mm) | 25 | 30 | 30 | 40 |
| 徑向 | 88 | 245 | 245 | 392 | |
| 推力 | 59 | 198 | 98 | 147 | |
| 質量 | 標準 | 0.57 | 0.98 | 1.5 | 3.0 |
| 帶電磁制動器 | 0.77 | 1.4 | 1.9 | 4.0 | |
| HG-SNS系列(中慣性、中容量) 規格 | ||||||
| 法蘭尺寸mm | 130X130 | 176×176 | ||||
| 旋轉型伺服電機型號HG-SNS | 52J | 102J | 152J | 202J | 302J | |
| 連續特性 | 額定輸出[kW] | 0.5 | 1.0 | 1.5 | 2.0 | 3.0 |
| 額定轉矩[Nm] | 2.39 | 4.77 | 7.16 | 9.55 | 14.3 | |
| 轉矩[Nm] | 7.16 | 14.3 | 21.5 | 28.6 | 42.9 | |
| 額定轉速[r/min] | 2000 | |||||
| 轉速[r/min] | 3000 | 2500 | ||||
| 連續額定轉矩 | 標準[kW/s] | 7.85 | 19.7 | 32.1 | 19.5 | 26.1 |
| 時的功率 | 帶電磁制動器[kW/s] | 6.01 | 16.5 | 28.2 | 16. | 23.3 |
| 額定電流 | 2.9 | 5.6 | 9.4 | 9.6 | 11 | |
| 電流 | 9 | 17 | 29 | 31 | 33 | |
| 轉動慣量J | 標準[×104kgm2 | 7.26 | 11.6 | 16.0 | 46.8 | 78.6 |
| 帶電磁制動器[×104kgm2 | 9.48 | 13.8 | 18.2 | 56.5 | 88.2 | |
| 負載轉動慣量比 | 15倍以下 | |||||
| 速度、位置檢測 | 位置 、增量共用22位編碼器(伺服電機每轉的分辨率:4, 194, 304 pulses/rev) | |||||
| 油封 | 附帶 | |||||
| 電磁制動器 | 無(也有帶電磁制動器的伺服電機。(HG-SNS_B) ) | |||||
| 熱敏電阻 | 無 | |||||
| 耐熱等級 | 155(F) | |||||
| 構造 | 全閉自冷(防護等級:IP67)(注2) | |||||
| 耐振動*[m/s?] | X:24.5.Y:24.5 | X:24.5,Y:49 | ||||
| 振動等級 | V10*3 | |||||
| 軸的允許負載*2 | L(mm) | 55 | 55 | 55 | 79 | 79 |
| 徑向 | 980 | 980 | 980 | 2058 | 2058 | |
| 推力 | 490 | 490 | 490 | 980 | 980 | |
| 質量 | 標準[kg] | 48 | 6.2 | 7.3 | 11 | 16 |
| 帶電磁制動器[kg] | 6 | 8.2 | 9.3 | 17 | 22 | |


| MR-JET-G | |||||||
| 系列 | 功率 | 伺服電機 | 伺服放大器 | 信號線/信號插頭 | 編碼器電纜 | 動力電纜 | 剎車電纜 |
| MR-JET系列 | 0.1KW | HG-KNS13J | MR-JET-10G | CAT6A-RJ45-_M | MR-J3ENCBL_M-A1-L | MR-PWS1CBL_M-A1-L | |
| MR-JET系列 | 0.2KW | HG-KNS23J | MR-JET-20G | CAT6A-RJ45-_M | MR-J3ENCBL_M-A1-L | MR-PWS1CBL_M-A1-L | |
| MR-JET系列 | 0.4KW | HG-KNS43J | MR-JET-40G | CAT6A-RJ45-_M | MR-J3ENCBL_M-A1-L | MR-PWS1CBL_M-A1-L | |
| MR-JET系列 | 0.75KW | HG-KNS73J | MR-JET-70G | CAT6A-RJ45-_M | MR-J3ENCBL_M-A1-L | MR-PWS1CBL_M-A1-L | |
| MR-JET系列 | 0.5KW | HG-SNS52J | MR-JET-70G | CAT6A-RJ45-_M | MR-J3ENSCBL_M-L | MR-PWCNS4 _M | |
| MR-JET系列 | 1.0KW | HG-SNS102J | MR-JET-100G | CAT6A-RJ45-_M | MR-J3ENSCBL_M-L | MR-PWCNS4 _M | |
| MR-JET系列 | 1.5KW | HG-SNS152J | MR-JET-200G | CAT6A-RJ45-_M | MR-J3ENSCBL_M-L | MR-PWCNS4 _M | |
| MR-JET系列 | 2.0KW | HG-SNS202J | MR-JET-200G | CAT6A-RJ45-_M | MR-J3ENSCBL_M-L | MR-PWCNS5 _M | |
| MR-JET系列 | 3.0KW | HG-SNS302J | MR-JET-300G | CAT6A-RJ45-_M | MR-J3ENSCBL_M-L | MR-PWCNS5 _M | |
| MR-JET系列 | 0.1KW | HG-KNS13BJ | MR-JET-10G | CAT6A-RJ45-_M | MR-J3ENCBL_M-A1-L | MR-PWS1CBL_M-A1-L | MR-BKS1CBL_M-A1-L |
| MR-JET系列 | 0.2KW | HG-KNS23BJ | MR-JET-20G | CAT6A-RJ45-_M | MR-J3ENCBL_M-A1-L | MR-PWS1CBL_M-A1-L | MR-BKS1CBL_M-A1-L |
| MR-JET系列 | 0.4KW | HG-KNS43BJ | MR-JET-40G | CAT6A-RJ45-_M | MR-J3ENCBL_M-A1-L | MR-PWS1CBL_M-A1-L | MR-BKS1CBL_M-A1-L |
| MR-JET系列 | 0.75KW | HG-KNS73BJ | MR-JET-70G | CAT6A-RJ45-_M | MR-J3ENCBL_M-A1-L | MR-PWS1CBL_M-A1-L | MR-BKS1CBL_M-A1-L |
| MR-JET系列 | 0.5KW | HG-SNS52BJ | MR-JET-70G | CAT6A-RJ45-_M | MR-J3ENSCBL_M-L | MR-PWCNS4 _M | MR-BKCNS1_M |
| MR-JET系列 | 1.0KW | HG-SNS102BJ | MR-JET-100G | CAT6A-RJ45-_M | MR-J3ENSCBL_M-L | MR-PWCNS4 _M | MR-BKCNS1_M |
| MR-JET系列 | 1.5KW | HG-SNS152BJ | MR-JET-200G | CAT6A-RJ45-_M | MR-J3ENSCBL_M-L | MR-PWCNS4 _M | MR-BKCNS1_M |
| MR-JET系列 | 2.0KW | HG-SNS202BJ | MR-JET-200G | CAT6A-RJ45-_M | MR-J3ENSCBL_M-L | MR-PWCNS5 _M | MR-BKCNS1_M |
| MR-JET系列 | 3.0KW | HG-SNS302BJ | MR-JET-300G | CAT6A-RJ45-_M | MR-J3ENSCBL_M-L | MR-PWCNS5 _M | MR-BKCNS1_M |
\
| MR-JET-G-N1 | |||||||
| 系列 | 功率 | 伺服電機 | 伺服放大器 | 信號線/信號插頭 | 編碼器電纜 | 動力電纜 | 剎車電纜 |
| MR-JET系列 | 0.1KW | HG-KNS13J | MR-JET-10G-N1 | CAT6A-RJ45-_M | MR-J3ENCBL_M-A1-L | MR-PWS1CBL_M-A1-L | |
| MR-JET系列 | 0.2KW | HG-KNS23J | MR-JET-20G-N1 | CAT6A-RJ45-_M | MR-J3ENCBL_M-A1-L | MR-PWS1CBL_M-A1-L | |
| MR-JET系列 | 0.4KW | HG-KNS43J | MR-JET-40G-N1 | CAT6A-RJ45-_M | MR-J3ENCBL_M-A1-L | MR-PWS1CBL_M-A1-L | |
| MR-JET系列 | 0.75KW | HG-KNS73J | MR-JET-70G-N1 | CAT6A-RJ45-_M | MR-J3ENCBL_M-A1-L | MR-PWS1CBL_M-A1-L | |
| MR-JET系列 | 0.5KW | HG-SNS52J | MR-JET-70G-N1 | CAT6A-RJ45-_M | MR-J3ENSCBL_M-L | MR-PWCNS4 _M | |
| MR-JET系列 | 1.0KW | HG-SNS102J | MR-JET-100G-N1 | CAT6A-RJ45-_M | MR-J3ENSCBL_M-L | MR-PWCNS4 _M | |
| MR-JET系列 | 1.5KW | HG-SNS152J | MR-JET-200G-N1 | CAT6A-RJ45-_M | MR-J3ENSCBL_M-L | MR-PWCNS4 _M | |
| MR-JET系列 | 2.0KW | HG-SNS202J | MR-JET-200G-N1 | CAT6A-RJ45-_M | MR-J3ENSCBL_M-L | MR-PWCNS5 _M | |
| MR-JET系列 | 3.0KW | HG-SNS302J | MR-JET-300G-N1 | CAT6A-RJ45-_M | MR-J3ENSCBL_M-L | MR-PWCNS5 _M | |
| MR-JET系列 | 0.1KW | HG-KNS13BJ | MR-JET-10G-N1 | CAT6A-RJ45-_M | MR-J3ENCBL_M-A1-L | MR-PWS1CBL_M-A1-L | MR-BKS1CBL_M-A1-L |
| MR-JET系列 | 0.2KW | HG-KNS23BJ | MR-JET-20G-N1 | CAT6A-RJ45-_M | MR-J3ENCBL_M-A1-L | MR-PWS1CBL_M-A1-L | MR-BKS1CBL_M-A1-L |
| MR-JET系列 | 0.4KW | HG-KNS43BJ | MR-JET-40G-N1 | CAT6A-RJ45-_M | MR-J3ENCBL_M-A1-L | MR-PWS1CBL_M-A1-L | MR-BKS1CBL_M-A1-L |
| MR-JET系列 | 0.75KW | HG-KNS73BJ | MR-JET-70G-N1 | CAT6A-RJ45-_M | MR-J3ENCBL_M-A1-L | MR-PWS1CBL_M-A1-L | MR-BKS1CBL_M-A1-L |
| MR-JET系列 | 0.5KW | HG-SNS52BJ | MR-JET-70G-N1 | CAT6A-RJ45-_M | MR-J3ENSCBL_M-L | MR-PWCNS4 _M | MR-BKCNS1_M |
| MR-JET系列 | 1.0KW | HG-SNS102BJ | MR-JET-100G-N1 | CAT6A-RJ45-_M | MR-J3ENSCBL_M-L | MR-PWCNS4 _M | MR-BKCNS1_M |
| MR-JET系列 | 1.5KW | HG-SNS152BJ | MR-JET-200G-N1 | CAT6A-RJ45-_M | MR-J3ENSCBL_M-L | MR-PWCNS4 _M | MR-BKCNS1_M |
| MR-JET系列 | 2.0KW | HG-SNS202BJ | MR-JET-200G-N1 | CAT6A-RJ45-_M | MR-J3ENSCBL_M-L | MR-PWCNS5 _M | MR-BKCNS1_M |
| MR-JET系列 | 3.0KW | HG-SNS302BJ | MR-JET-300G-N1 | CAT6A-RJ45-_M | MR-J3ENSCBL_M-L | MR-PWCNS5 _M | MR-BKCNS1_M |







